塑料振动筛

电话:0373-268 2333

您的位置:首页 > 新闻中心 > PC聚碳酸酯颗粒塑料旋振筛

PC聚碳酸酯颗粒塑料旋振筛

作者:admin 日期:2026-01-26 11:14:58来源:大汉机械浏览次数:
PC聚碳酸酯颗粒塑料旋振筛是一种可以用来筛分PC聚碳酸酯颗粒塑料的一种筛分设备,它主要是利用振动电机产生振动,动力作用给筛网使物料运动并前进,从而筛分出杂质。PC聚碳酸酯颗粒质地较硬,粒径范围通常在2mm至4mm之间。塑料旋振筛是全封闭筛分,即使筛分过程中有粉末产生,也不会溢散出去。它是采用聚丙烯PP材质加工而成,防腐性好,并且物料筛分过程中不会受到污染。
 
PC聚碳酸酯颗粒塑料旋振筛优势是什么?
PC聚碳酸酯颗粒塑料旋振筛可以安装多层筛网去使用,能够准确控制筛分PC聚碳酸酯颗粒的粒度,可以保证PC颗粒的粒径的高度统一。
这台设备的筛分效率比较高,节省大量时间。而且在设备中可以去配备防堵塞的装置,能够有效的减少筛孔的堵塞。整体是全封闭的结构,能有效防止PC颗粒在筛分过程中产生粉末的逸散或者受到外部环境的污染。它的结构也相对简单,通过调节不同配置的参数便可以去适应不同的筛分要求。
 
PC聚碳酸酯颗粒塑料旋振筛结构是什么?
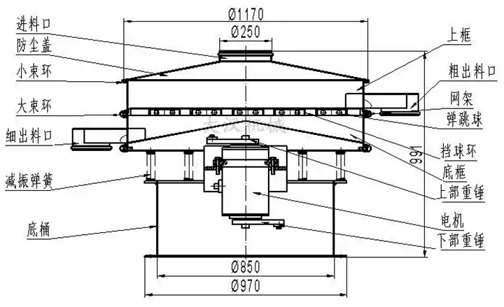
PC聚碳酸酯颗粒塑料旋振筛主要是由筛盖、筛体、振动电机、振动体、进出料口、底座与减振弹簧。筛盖在设备最顶部,设有进料口,是物料进入筛机的入口。筛体包含一层或多层由金属框架绷紧的筛网。振动电机与振动体是由一台或两台电机安装在筛体上。底座是支撑着整个设备。在筛体与底座之间安装有一圈或者多圈的减振弹簧,它的作用是支撑振动部分。出料口是位于各层筛体的侧面或底部。
 
PC聚碳酸酯颗粒塑料旋振筛应用是什么?
PC聚碳酸酯颗粒塑料旋振筛的应用广泛,除了筛分PC聚碳酸酯颗粒,还可以用在多个行业。像在塑料制造与加工行业,可以用来筛分清洗破碎后的塑料片或再生造粒,去除粉尘、杂质和不符合尺寸的颗粒。在化工行业可以用来筛分树脂颗粒、颜料、染料、催化剂、化肥颗粒等等。除此之外,在其他方面还可以用来筛分、陶瓷粉、玻璃微珠、抛光粉等等何种不同行业的不用物料。
 
PC聚碳酸酯颗粒塑料旋振筛厂家
在我们厂家中除了生产PC聚碳酸酯颗粒塑料旋振筛还生产塑料颗粒振动筛,聚丙烯塑料振动筛,耐腐蚀塑料振动筛,防腐蚀塑料振动筛等多种不同的筛分设备。并且对于不同客户的需求还可以去定制加料斗式,加料仓式,底桶加高等各种不同的设计。一般旋振筛的直径是有400mm、600mm、800mm、1000mm甚至更大。
推荐产品

售前咨询热线

0373-268 2333

15836198876

快速导航
塑料振动筛
产品知识
解决方案
关于大汉
联系我们
新乡大汉塑料振动筛厂家
地址:延津县森林公园大门西1000米路北
邮箱:cndahan@163.com
电话:0373-268 2333